ST(意法半导体)生产的的型号STM32F100ZET7B属于32位MCU微控制器,集成了高性能Arm®Cortex®-M3 32位RISC核心,在24mhz频率下工作,高速嵌入式内存(闪存高达512千字节,SRAM高达32千字节),灵活的静态内存控制(FSMC)接口(用于100引脚及以上的包中提供的设备)和广泛的增强外设和连接到两个APB总线的I/o。

STM32F100ZET7B提供标准通信接口(最多两个i²c,三个spi,一个HDMI CEC,最多三个usart和2个uart),一个12位ADC,两个12位dac,最多9个通用16位计时器和一个高级控制PWM计时器。STM32F100ZET7B高密度值线系列工作在-40到+85°C和-40到+105°C的温度范围内,从2.0到3.6 V电源。一套全面的省电模式允许设计低功耗应用程序。
STM32F100ZET7B的功能特点
1、高性能:STM32F100ZET7B采用ARM Cortex-M3内核,工作频率高达24MHz,具有较高的指令执行速度和运算能力。这使得它能够处理复杂的算法和大量数据。
2、丰富的外设:STM32F100ZET7B集成了丰富的外设,包括多个通用定时器、DMA控制器、UART、SPI、I²C等接口,以及多个模拟和数字引脚,可以满足不同应用的需求。
3、低功耗:STM32F100ZET7B采用低功耗设计,具有多种电源管理模式,可以有效延长电池寿命。此外,它还支持多种低功耗模式,如睡眠模式、停止模式等,能够在不需要高性能时降低功耗。
4、丰富的存储器:STM32F100ZET7B具有大容量的Flash存储器和SRAM,可满足复杂应用的存储需求。此外,它还支持EEPROM存储器,用于存储用户数据和配置信息。
5、安全性:STM32F100ZET7B集成了硬件加密和安全电路,以保护程序和数据的安全性。它支持硬件加密算法、故障保护和代码保护,可以防止未授权的访问和篡改。
6、多种通信接口:STM32F100ZET7B支持多种通信接口,包括UART、SPI、I2C和CAN等。这些接口可以与外部设备进行数据交互,方便连接和控制外部器件,如传感器、显示屏等。
7、硬件调试和程序下载支持:STM32F100ZET7B集成了支持调试和程序下载的硬件接口,可以使用JTAG或SWD接口进行调试和烧录程序,方便开发和调试工作。
二、STM32F100ZET7B的应用领域
STM32F100ZET7B是一款基于ARM Cortex-M3内核的32位微控制器,其主要应用领域如下:
1、工业自动化:STM32F100ZET7B可用于工业自动化领域,如工厂自动化控制系统、机器人控制、仪器仪表、工业通信等。其强大的处理能力、丰富的外设和多种通信接口,使其可以适应各种复杂的工业控制需求。
2、智能家居:在智能家居领域,STM32F100ZET7B可用于控制和管理各种家用电器和设备,如智能灯光系统、智能安防系统、智能门锁、智能家电等。它的低功耗特性和丰富的接口使其非常适合在智能家居系统中实现各种功能。
3、医疗设备:STM32F100ZET7B在医疗设备领域有广泛的应用,如医疗仪器、监护设备、健康监测设备等。其高性能、低功耗和强大的处理能力可以满足医疗设备对实时数据处理和精确控制的需求。
STM32F100ZET7B的中文参数
品牌:ST(意法半导体)
产品分类:32位MCU
I/O数:112
程序存储容量:512KB(512K x 8)
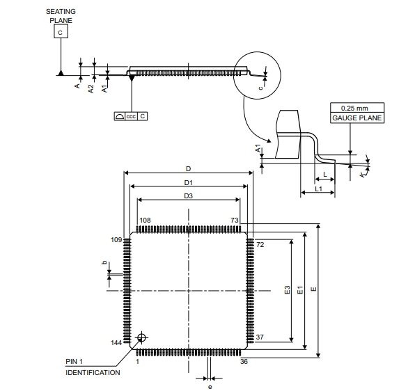
封装:144-LQFP(20x20)
程序存储器类型:闪存
商品标签:通用类MCU
RAM大小:32K x 8
核心处理器:ARM Cortex-M3
电压-供电(Vcc/Vdd):2V ~ 3.6V
内核规格:32-位
数据转换器:A/D 16x12b;D/A 2x12b
速度:24MHz
振荡器类型:内部
连接能力:I2C,IrDA,LINbus,SPI,UART/USART
工作温度:-40°C ~ 105°C(TA)
外设:DMA,PDR,POR,PVD,PWM,温度传感器,WDT
安装类型:表面贴装型
基本产品编号:STM32F100
STM32F100ZET7B的引脚封装图


STM32F100ZET7B的原理图

STM32F100ZET7B的型号解释图
