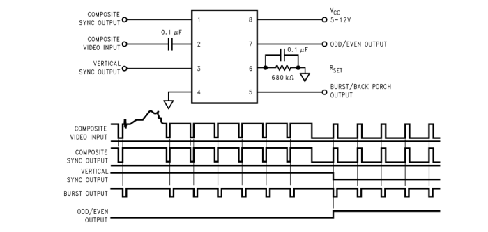
美国国半LM1881MX视频同步分离器从幅度为0.5V至2V p-p的标准负向同步NTSC、PAL和SECAM视频信号中提取定时信息,包括复合和垂直同步、突发/后沿定时以及奇数/偶数场信息。该集成电路还能够为非标准的、更快的水平速率视频信号提供同步分离。垂直输出在垂直同步周期中的第一锯齿的上升沿上产生。如果上述上升沿没有出现在外部设置的延迟周期内,例如非标准视频信号的情况,则在时间延迟之后产生默认垂直输出。

特征
交流耦合复合输入信号
>10kQ输入电阻
<10 mA电源漏电流
复合同步和垂直输出
奇数/偶数场输出
突发门/后门输出
水平扫描速率至150 kHz
边缘触发垂直输出
非标准视频信号的默认触发垂直输出(电子游戏家用电脑)
封装:SOP8
应用
物联网
智能家居
智能监控
智能电视
智能汽车
方框图

典型应用图

引脚图

连接图
