LT3477 是一款具有双通道轨至轨电流检测放大器和一个内部 3A、42V 开关的电流模式、3A DC/DC 升压型转换器。它集成了一个传统的电压反馈环路和两个独特的电流反馈环路,旨在起一个恒定电流、恒定电压源的作用。两个电流检测电压均被设定为 100mV,并可采用 IADJ1和 IADJ2引脚进行独立调节。可在典型应用中实现高达 93% 的效率。LT3477 具有一种可编程软起动功能,用于限制启动期间的电感器电流。误差放大器的两个输入均可从外部获得,从而提供了正和负输出电压 (升压、负输出、SEPIC、反激)。利用一个外部电阻器可将开关频率设置在 200kHz 至 3.5MHz 的范围内。
LT3477 采用耐热增强型 20 引脚 (4mm x 4mm) QFN 和 20 引脚 TSSOP 封装,从而为恒定电压和恒定电流应用提供了一个完整的解决方案。
优势和特点
双通道 100mV 轨至轨电流检测放大器
宽输入电压范围:2.5V 至 25V
3A、42V 内部开关
高效功率转换:达 93%
能够以降压、降压-升压或升压模式来驱动 LED
利用外部电阻器来设定频率:200kHz 至 3.5MHz
可编程软起动
低 VCESAT开关:0.3V/2.5A
可提供正和负输出电压 (升压、负输出、SEPIC、反激)
采用耐热增强型 20 引脚 (4mm x 4mm) QFN 和 20 引脚 TSSOP 封装
应用
大功率LED驱动器
DSL调制解调器
分布式电源
输入/输出限流升压,
逆变、反激变换器
恒压、恒流电源


封装引脚

典型应用示例图

32V至6个白色LED:带PWM调光的降压模式

10V至2个白色LED:带PWM调光的降压-升压模式

降压-升压模式LED驱动器

Efficiency

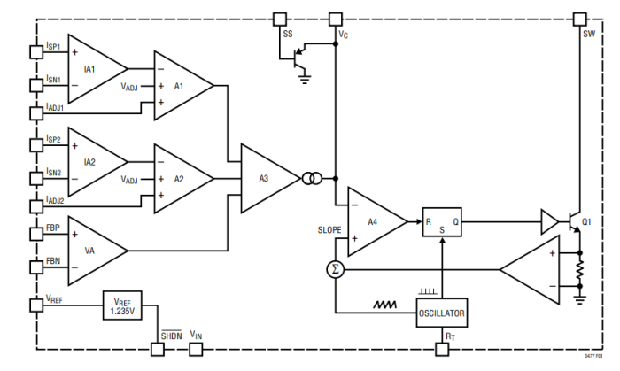
LT3477方框图