ST(意法半导体)的型号STM32F407IET6属于32位MCU微控制器,基于高性能Arm®Cortex®-M4 32位RISC内核,工作频率高达168MHz。Cortex-M4内核具有浮点单元(FPU)单精度,支持所有Arm单精度数据处理指令和数据类型。它还实现了一整套DSP指令和一个增强应用程序安全性的内存保护单元(MPU)。

STM32F407IET6包含高速嵌入式存储器(闪存高达1兆字节,SRAM高达192兆字节)、高达4兆字节的备份SRAM,以及连接到两条APB总线、三条AHB总线和32位多AHB总线矩阵的大量增强型I/O和外围设备。
STM32F407IET6提供三个12位ADC、两个DAC、一个低功耗RTC、十二个通用16位定时器(包括两个用于电机控制的PWM定时器)、两个通用32位定时器。真随机数发生器(RNG),它们还具有标准和高级通信接口。
意法半导体STM32F407IET6的中文参数
品牌:ST(意法半导体)
产品分类:32位MCU
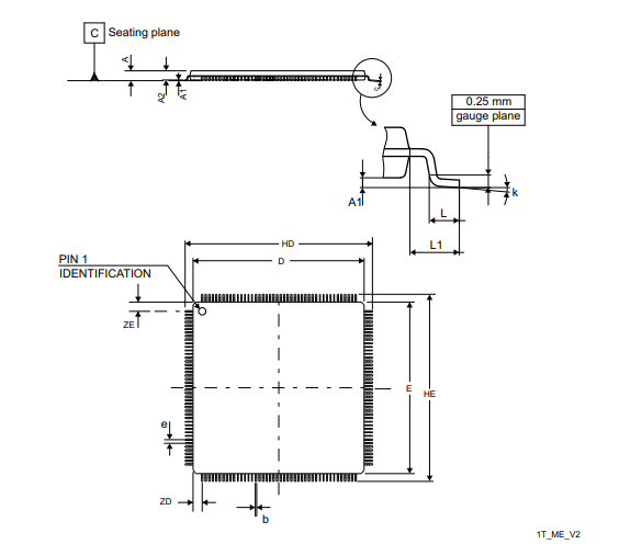
封装:LQFP-176_24x24x05P
包装:托盘
产品应用:通用类MCU
核心处理器:ARMCortex-M4
内核规格:32-位
速度:168MHz
连接能力:CANbus,DCMI,EBI/EMI,以太网,I²C,IrDA,LINbus,SPI,ART/USART,USBOTG
外设:欠压检测/复位,DMA,I²S,LCD,POR,PWM,WDT
I/O数:140
程序存储容量:512KB(512Kx8)
程序存储器类型:闪存
RAM大小:192Kx8
电压-供电(Vcc/Vdd):1.8V~3.6V
数据转换器:A/D24x12b;D/A2x12b
振荡器类型:内部
工作温度:-40°C~85°C(TA)
安装类型:表面贴装型
基本产品编号:STM32F407
HTSUS:8542.31.0001
意法半导体STM32F407IET6的功能特点
1、内置ARM Cortex-M4内核:STM32F407IET6具有高性能的32位处理能力和高性能的浮点单元,可以实现快速和精确的数据处理。
2、工作频率高:STM32F407IET6的主频可以达到168MHz,使其适用于要求高计算速度的应用。
3、丰富的外设和接口:STM32F407IET6内部集成了多个外设和接口,包括多个通用定时器、串行接口、SPI接口、I2C接口、GPIO和ADC等,使其具有很强的扩展性和适应性。
4、大容量存储器:STM32F407IET6拥有1MB的Flash存储器和192KB的SRAM,可提供足够的存储空间和数据缓存空间。
5、低功耗特性:STM32F407IET6支持多种低功耗模式,如睡眠模式和停机模式,以满足对功耗要求较高的应用场景。
6、强大的中断控制和时钟控制功能:STM32F407IET6提供了全面的中断控制机制和时钟控制功能,以满足不同应用的需求。
意法半导体STM32F407IET6的应用领域
STM32F407IET6是一款高性能MCU微控制器,其主要应用领域如下:
工业自动化:STM32F407IET6可以用于工厂自动化控制系统、机器人控制、过程控制和监控等方面。
医疗设备:在医疗设备中,STM32F407IET6可应用于可穿戴医疗设备、医疗监护仪、医疗图像处理等。
消费电子:STM32F407IET6可用于智能手机、平板电脑、音频设备、游戏控制器等消费电子产品。
网络通信:STM32F407IET6可以应用于网络路由器、交换机、无线通信设备等。
智能家居:STM32F407IET6可用于智能家居系统,如家庭自动化、智能灯光控制、智能安防系统等。
意法半导体STM32F407IET6的功能方框图

意法半导体STM32F407IET6的引脚封装图


意法半导体STM32F407IET6的丝印图
