ST(意法半导体)生产的型号STM32L071CZT7属于超低功耗MCU微控制器,包含32MHz频率下运行的高性能Arm Cortex-M0+32位RISC内核、存储器保护单元(MPU)、高速嵌入式存储器(高达192KB的闪存程序存储器、6KB的数据EEPROM和20 KB的RAM)以及广泛的增强型I/O和外围设备。 STM32L071CZT7提供高功率效率,可实现广泛的性能。这是通过大量选择内部和外部时钟源、内部电压自适应和几种低功耗模式实现的。

意法半导体STM32L071CZT7提供多种模拟功能,一个带硬件过采样的12位ADC、两个超低功耗比较器、多个计时器、一个低功耗计时器(LPTIM)、四个通用16位计时器和两个基本计时器、一台RTC和一个可用作时基的SysTick。它们还具有两个看门狗,一个具有独立时钟和窗口功能的看门狗,以及一个基于总线时钟的窗口看门狗。此外,STM32L071CZT7嵌入了标准和高级通信接口:最多三个I²C、两个SPI、一个I²S、四个USART、一个低功耗UART(LPUART)。
STM32L071CZT7还包括一个实时时钟和一组备用寄存器,它们在待机模式下保持通电。超低功率STM32L071CZT7使用BOR从1.8至3.6 V电源(断电时降至1.65 V)运行,不使用BOR选项从1.65至3.6 V供电。它们可在-40至+125°C温度范围内使用。一组全面的节能模式允许设计低功耗应用。
意法半导体STM32L071CZT7的中文参数
品牌:ST(意法半导体)
产品分类:32位MCU
封装:48-LQFP(7x7)
包装:托盘
核心处理器:ARM Cortex-M0+
内核规格:32-位
速度:32MHz
连接能力:I2C,IrDA,SPI,UART/USART
外设:欠压检测/复位,DMA,I2S,POR,PWM,WDT
I/O数:37
程序存储容量:192KB(192K x 8)
程序存储器类型:闪存
EEPROM容量:6K x 8
RAM大小:20K x 8
电压-供电(Vcc/Vdd):1.65V ~ 3.6V
数据转换器:A/D 13x12b
振荡器类型:内部
工作温度:-40°C ~ 105°C(TA)
安装类型:表面贴装型
基本产品编号:STM32
HTSUS:8542.31.0001
产品应用:超低功耗MCU
意法半导体STM32L071CZT7的功能特点
1、32位ARM Cortex-M0+内核:STM32L071CZT7采用了高性能的ARM Cortex-M0+处理器,具有低功耗和高效能的特点,并且支持Thumb指令集。
2、低功耗特性:STM32L071CZT7专为低功耗应用而设计,具有多种节能技术,包括多种睡眠模式、动态电压调节和智能停机模式等,以最小化功耗和延长电池寿命。
3、丰富的外设接口:STM32L071CZT7提供了丰富的外设接口,包括多个通用用途I/O口、SPI、I2C、USART、USB和ADC等,以满足各种应用需求。
4、低电压操作:STM32L071CZT7能在低电压下正常工作,工作电压范围为1.8V至3.6V,适合于电池供电的应用场景。
5、高集成度:STM32L071CZT7具有丰富的片内存储器,包括192KB的Flash存储器和20KB的SRAM,同时还具备多种片上模块(如看门狗定时器、实时时钟和DMA控制器等),以简化外部组件的使用和减小系统尺寸。
6、安全性保护:STM32L071CZT7具备硬件安全模块,包括读写保护、代码加密和运行时访问控制等功能,以增强系统的安全性。
7、温度范围广:STM32L071CZT7能够在-40℃至+85℃的温度范围内正常工作,适合于各种环境条件。
8.、软件支持:意法半导体提供了丰富的软件开发工具和支持,包括STM32Cube软件包和HAL库,以便开发人员轻松开发和调试应用程序。
意法半导体STM32L071CZT7的应用领域
STM32L071CZT7是一款低功耗MCU微控制器,适用于广泛的嵌入式应用领域,其主要应用领域如下:
1、物联网(IoT)设备:STM32L071CZT7提供了低功耗和高性能的特性,适合用于连接与通信的物联网设备,如传感器节点、智能家居设备、智能城市解决方案等。
2、工业自动化:该微控制器具有较强的工业级温度范围和可靠性,可应用于各种工业自动化设备,如仪器仪表、传感器、无线通信模块等。
3、智能电网:STM32L071CZT7可用于智能电网应用中的能源管理、电力监测、通信和控制等方面,以提高能源效率和安全性。
4、医疗设备:由于低功耗和高精度的特点,STM32L071CZT7适合用于医疗设备领域,如便携式医疗仪器、健康监测设备等。
5、消费类电子产品:这款微控制器适用于各种消费类电子产品,包括可穿戴设备、智能家居产品、智能音箱等。
STM32L071CZT7的引脚封装图


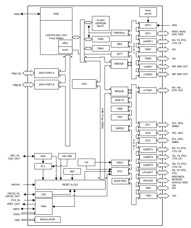
STM32L071CZT7的原理图

STM32L071CZT7的型号解释图
