onsemi(安森美)MC14040BDR2G 12级二进制计数器由单片结构中的MOS P沟道和N沟道增强模式器件构成。该部分设计有输入波形电路和12级纹波进位二进制计数器。该设备在时钟脉冲的负向边缘推进计数。

MC14040BDR2G的特点
•全静态运行
•所有输入的二极管保护
•电源电压范围=3.0 Vdc至18 Vdc
•能够驱动两个低功率TTL负载或一个
额定温度下的低功率肖特基TTL负载
范围
•公共复位线
•针−换−针CD4040B的更换
•用于汽车和其他需要的应用程序的NLV前缀
独特的现场和控制变更要求;AEC−Q100
合格且具备PPAP能力
•这些设备不含铅,符合RoHS标准
封装:SOIC-16
MC14040BDR2G的应用
延时电路
计数器控制和频率−驱动电路
MC14040BDR2G的引脚封装图


MC14040BDR2G的逻辑图

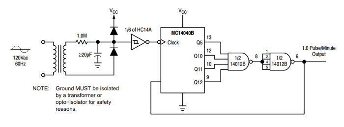
MC14040BDR2G的时间−基准生成器图
