意法半导体STM32F051C8U6微控制器包含高性能ARM®Cortex®-M0 32位RISC内核,工作频率高达48 MHz,高速嵌入式存储器(高达64 KB闪存和8 KB SRAM),以及广泛的增强型外围设备和I/O。所有设备都提供标准通信接口(最多两个I²C、最多两个SPI、一个I²S、一个HDMI CEC和最多两个USART)、一个12位ADC、一个12中位DAC、六个16位定时器、一个32位定时器和一个高级控制PWM定时器。

STM32F051C8U6微控制器在-40至+85°C的温度范围内工作,电源电压为2.0至3.6 V。一套全面的节能模式允许设计低功耗应用程序。STM32F051C8U6微控制器封装引脚为UFQFPN-48,还可根据要求提供模具形式。根据所选设备的不同,还包括不同的外围设备。
特征
核心:ARM®32位Cortex®-M0 CPU,
频率高达48 MHz
•记忆
–16至64 KB的闪存
–8 KB SRAM,带硬件奇偶校验
•CRC计算单元
•重置和电源管理
–数字和I/O电源:VDD=2.0 V至3.6 V
–模拟电源:VDDA=从VDD到3.6 V
-通电/断电复位(POR/PDR)
-可编程电压检测器(PVD)
–低功耗模式:睡眠、停止、待机
–RTC和备份寄存器的VBAT电源
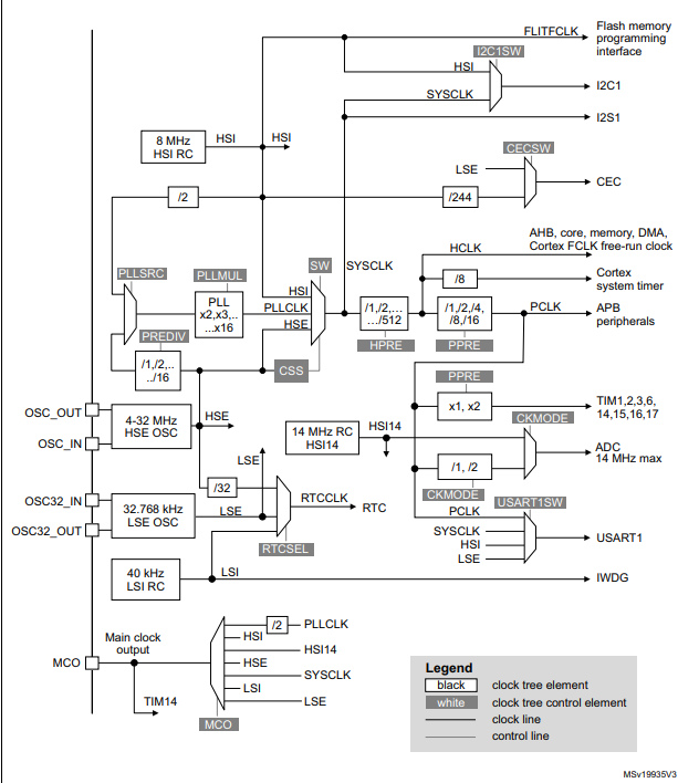
•时钟管理
–4至32 MHz晶体振荡器
–32 kHz振荡器,用于带校准的RTC
–内部8 MHz RC,带x6 PLL选项
–内部40 kHz RC振荡器
•最多55个快速I/O
–所有可在外部中断矢量上映射
–最多36个I/O,具有5 V耐受能力
•5通道DMA控制器
•一个12位1.0µs ADC(最多16个通道)
–转换范围:0至3.6 V
–从2.4到3.6的独立模拟电源
•一个12位DAC通道
•两个快速低功耗模拟比较器
可编程输入和输出
•多达18个电容感应通道
支持触摸键、线性和旋转触摸
传感器
•最多11个定时器
–一个16位7通道高级控制
用于6通道PWM输出的定时器,带
空载时间生成和紧急停止
–一个32位和一个16位定时器,最多可
4 IC/OC,可用于IR控制解码
–一个16位定时器,带2个IC/OC,1个OCN,
空载时间生成和紧急停止
–两个16位定时器,每个定时器带有IC/OC和
OCN、空载时间生成、紧急情况
用于IR控制的停止和调制器门
–一个带1个IC/OC的16位定时器
–独立和系统看门狗定时器
–SysTick计时器:24位下计数器
–一个16位基本定时器,用于驱动DAC
•带警报和定期唤醒功能的日历RTC
从停止/待机
•通信接口
–最多两个I²C接口,其中一个支持
快速模式+(1 Mbit/s),20 mA
电流吸收器、SMBus/PMBus和唤醒
从停止模式
–最多两个USART支持主
同步SPI和调制解调器控制,一个
具有ISO7816接口、LIN、IrDA
功能,自动波特率检测和
唤醒功能
–最多两个SPI(18 Mbit/s),4到16个
可编程位帧,一个带I²S
接口多路复用
•HDMI CEC接口,头标唤醒
接待
•串行线调试(SWD)
•96位唯一ID
•所有包装ECOPACK®2
应用
应用控制和用户界面
手持设备
a/V接收器和数字电视
逆变器
打印机
PC外围设备、游戏和GPS平台
工业应用
PLC
扫描仪
报警系统
视频对讲机和HVAC
方框图

时钟树图

引脚图
