迈来芯 MLX80002 是一款面向采用本地互连网络 (LIN) 协议的低速车辆串行数据网络通信应用的双通道物理层器件。
该器件设计符合 LIN 协议规范包 2.x 以及 SAE J2602 标准对物理层的定义。

由于 MLX80002 在隐性状态下的电流消耗非常低,因此非常适合对待机电流有严格要求的 ECU 应用。高级休眠模式功能可关断整个主节点。该器件包含的唤醒功能可检测到传入的显性 LIN 消息,然后使能稳压器。
特性和优势
符合 LIN 2.x/SAE J2602 标准
双通道独立增强型主收发器功能
占用面积极小 (QFN4x4),最大限度减少了外部组件数
四通道/双通道型号采用相同封装和尺寸,设计的成本/空间得到了优化
转换速率选择和高速闪存模式
工作电压 (VS) 范围宽达 5 V 至 27 V
完全兼容 3.3V 和 5V 器件
休眠模式下的待机电流消耗极低,仅为 10µA
WAKE 输入可实现本地唤醒功能
远程和本地唤醒源识别
外部组件的控制输出 INH
集成LIN 主节点和从节点的端(电阻和去耦二极管)
从节点配置下提供 TxD 显性超时功能
主节点配置下提供 RxD 显性超时功能
休眠定时器
低 EME(发射)和高 EMI(抗扰)水平
LIN 引脚阻抗高,可应对接地端或电池缺失的情况
ESD 稳健性增强

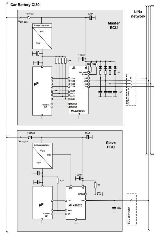
方框图

引脚说明

使用具有最小化外部组件和LIN对地短路功能的增强型主模式的应用示例

使用标准收发器模式的应用示例