Renesas瑞萨 RAA211320集成开关降压稳压器是一款30V、2A同步降压器件,具有电流模式恒定导通时间 (COT) 控制功能。这款6引脚TSOT23封装器件提供集成高侧 (125mΩ) 和低侧 (75mΩ) MOSFET,工作温度范围为-40°C至+125°C。RAA211320具有全面的保护功能,包括输入欠压锁定 (UVLO)、 过流保护 (OCP)、 输出欠压保护 (OUVP) 和过热保护 (OTP)。

特性
输入电压范围:4.5V至30V
输出范围:0.765V至16V
输出电流高达2A
集成高侧 (125mΩ) 和低侧 (75mΩ) MOSFET
400μA静态电流
最低导通时间:70ns
225ns最短关断时间
0.765V参考电压与2%精度
轻负载条件下的PFM模式
电流模式恒定导通时间 (COT) 控制,带内部补偿
内部0.8ms软启动时间
475kHz典型开关频率
保护特性
低侧过流 (LSOC) 限值
输入欠压锁定 (UVLO)
过热保护 (OTP)
具有断续模式的输出欠压保护 (OUVP)
准确的EN门限
6引脚TSOT23封装
结温范围:-40°C至+125°C
应用
一般用途
工业电源
嵌入式系统和I/O供电

方框图

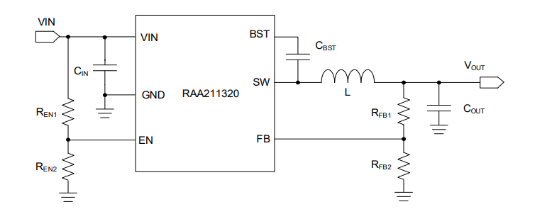
典型应用电路图

通过ENABLE进行VIN UVLO编程的典型应用电路图

引脚信息

封装

RAA211320布局示例